- 商品介绍
- 规格参数
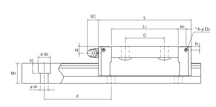
| 品牌 | THK |
| 高度M | 38 |
| 宽度W | 90 |
| 长度 L | 98 |
| B | 72 |
| C | 52 |
| S | M10 |
| H | 8.5 |
| L 1 | 72.1 |
| T | 16.9 |
| T1 | 14 |
| K | 31 |
| N | 10.3 |
| E | 12 |
| 油嘴 | B-M6F |
| e 0 | 6.5 |
| f 0 | 7 |
| D0 | 3.9 |
| H 3 | 7 |
| 宽度 W 1 0 -0.05 | 28 |
| W 2 | 31 |
| 高度 M 1 | 21 |
| 孔距F | 80 |
| d 1 ×d 2 ×h | 7×11×9 |
| 长度 *Max | 3000 |
| C KN | 52 |
| MA单滑块 | 0.722 |
| MA双滑块 紧靠 | 3.86 |
| MB单滑块 | 0.667 |
| MB 双滑块 紧靠 | 3.58 |
| MC 双滑块 | 0.798 |
| LM滑块 Kg | 1.1 |
| LM 轨道 Kg/m | 4.2 |
| CoKN | 70.1 |
| t | 18.1 |
| S×ℓ | - |













