- 商品介绍
- 规格参数
| 品牌 | THK |
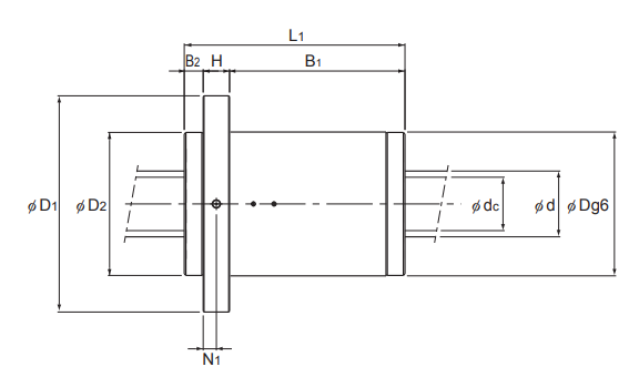
| 丝杠轴 外径 d | 100 |
| 导程 Ph | 50 |
| 钢球 中心直径dp | 104 |
| 负荷 圈数列×圈 | 2×3.8 |
| 基本额定载荷 Ca kN | 876 |
| 基本额定载荷 C 0 a kN | 2401 |
| 容许载荷 ※ F P kN | 336 |
| 刚性K N/um | 4089 |
| 外径 D | 195 |
| 法兰直径 D ₁ | 273 |
| 全长 L ₁ | 269 |
| H | 40 |
| PCD | 234 |
| d ₁ | 26 |
| 润滑孔 A | PT1/8 |
| 丝杠轴的惯性力矩/mm kg•m ² /mm | 7.71×10 |
| 螺母质量kg | 44.5 |
| 轴质量 kg/m | 51.3 |
| 丝杠轴 沟槽谷径 dc | 83.6 |
| 孔盖直径 D ₂ | (195) |
| B ₁ | 206 |
| B ₂ | (23) |
| N ₁ | 20 |
| 沟槽谷径dc | - |
| T1 | - |
| T2 | - |
| U MAX | - |
| V MAX | - |
| R MAX | - |














