- 商品介绍
- 规格参数
产品介绍 Overview
优点:
采用功率更大,使用寿命更长的无刷直流电机,工作更高效
工作行程大25mm,可用于较长的抽芯铆钉
输出拉力20kn,适用于加大的抽芯铆钉
调整环实现可变照明
更大的防滑表面和更低的重心,使工具稳定性更高
采用软把手,更易抓握
新型滑动电池
快速充电电器
产品特点 Features
调整环上装有与工件精确对准的发光二极管。包括三档开关:
1.控制过程:铆接过程完成后,二极管保持发亮,即使在照明不佳的条件下,也可进行连续工作。
2.手电筒功能:二极管可连续照明10分钟
3.关闭照明,节省电能
滑动电池:
新型滑动电池采用精确地声光充电状态显示,可防止意外情况出现。深度睡眠功能和制动能量的电反馈使电池的使用时间大大延长,一次充电最多可完成2000次铆接循环。另外,其把手具有防滑落功能。
充电器:
快速充电器。
电池在充电45分钟后即可重新使用,完全充满只需要90分钟。
技术参数 Specifications
技术参数 | |
输出拉力 | 20000N |
重量 | 2kg(包含电池) |
传动系统 | 无刷直流电机(BLDC) |
行程 | 25mm |
设备 | |
枪咀 | 17/32 17/36 17/40 17/45 |
爪片 | 3件(编号:756 1172) |
产品细节 Details

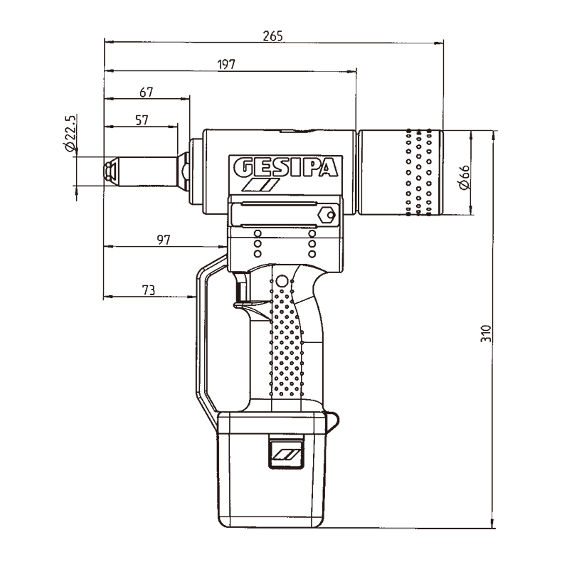
产品尺寸 Dimensions

| 品牌 | Gesipa |
| 铆接范围 | 4.0mm-6.4mm |
| 铆钉材质 | 铝、铁、不锈钢 |
| 最大拉力(N) | 14000 |
| 行程(mm) | 2.2 |
| 重量(kg) | 20 |













