- 商品介绍
- 规格参数
产品介绍 Overview
纵向撕裂检控器SBNZXSL-MA/2A在输送带出现由于撕裂、戳破、交界处损坏锐利物凸出时,纵向撕裂检控器SBNZXSL-MA/2A能给监
视人员提供报警信号或关闭输送机。纵向撕裂检控器SBNZXSL-MA/2A成对安装在传送带两侧,由两段乙浠外套的航空钢丝绳连接起来。
航空钢丝绳的一端固定在支撑托架上;另一端连接在纵向撕裂检控器的拉环,两段航空钢丝绳在传送带下形成一个监控面,当物体或撕裂
的皮带悬吊下来、扫落到航空钢丝绳时,航空钢丝绳拉动纵向撕裂检控器拉环使其动作,纵向撕裂检控器发出警报信号或停机信号。
技术参数 Specifications
环境温度:-30℃~+60℃
相对湿度:不大于85%
触点数量:2个微动开关。
触点容量:AC380V/5A
动作力:5Kg
防护等级:IP65
可靠性:>106次
产品细节 Details
接线方式
安装与使用
1、纵向撕裂检控器平衡地安装在机架固定支架上。
2、将纵向撕裂检控器以对的形式安装在胶带两侧,用钢丝绳将两个纵向撕裂检控器拉环连接,并用吊环使钢丝绳的走式与胶带平行。
3、拉绳动作力应适宜,以确保纵向撕裂检控器可靠复位。
4、一条胶带可安装多对纵向撕裂检控器。

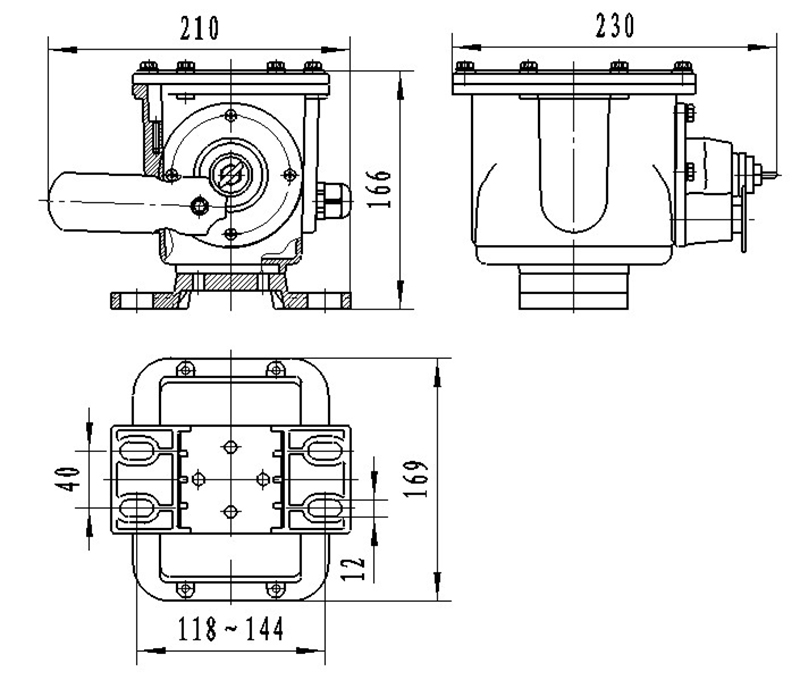
产品尺寸 Dimensions

| 品牌 | 施宾纳 |
| 品牌 | - |












