- 商品介绍
- 规格参数
产品介绍 Overview

技术参数 Specifications

选型指南 SelectionData

产品细节 Details

产品尺寸 Dimensions

注意事项 Notices

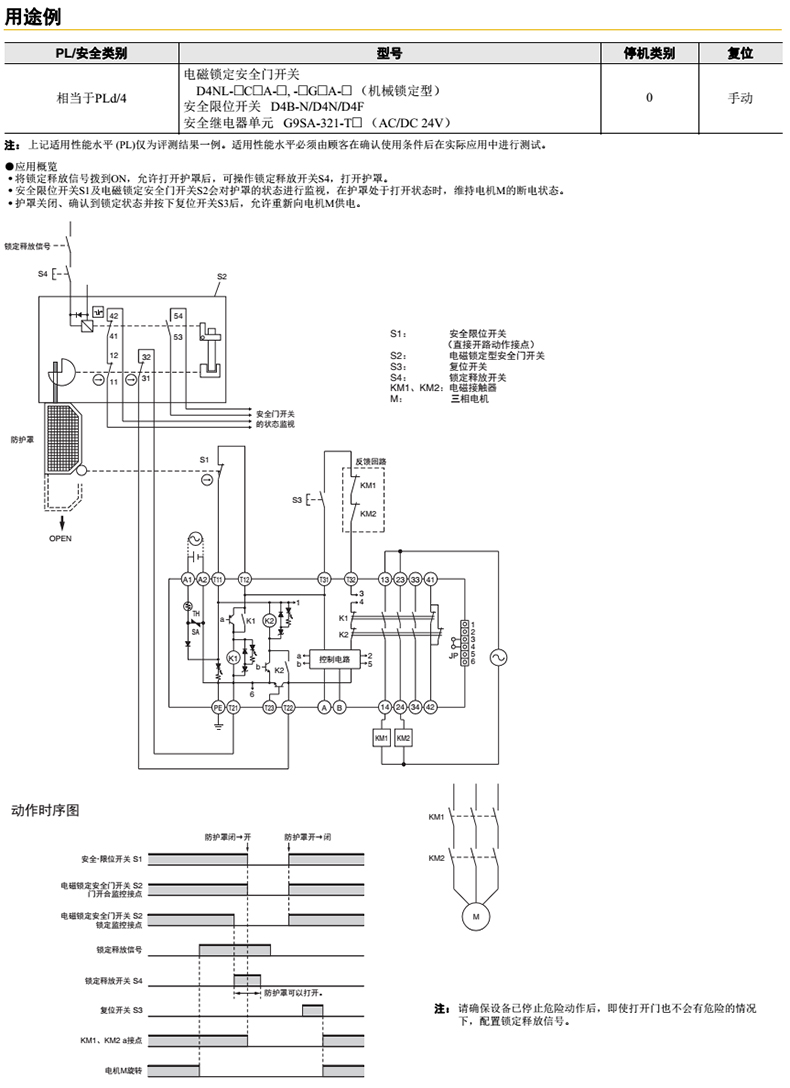
产品应用 Applications

| 品牌 | 欧姆龙 |
| 品牌 | - |







| 品牌 | 欧姆龙 |
| 品牌 | - |
价格及货期说明
保障声明
权利声明© 2021 All rights reserved. 霍尔曼供应链科技(上海)有限公司 沪ICP备19034414号-1
有任何问题请联系我们在线客服 | 电话:400-065-0518 传真 021-33862536 | 工作时间:周一至周六 8:30-18:00
友情链接:霍尔曼官网 | 霍尔曼京东专营店 | 霍尔曼1688企业店 | 快递查询
在线沟通,请点我在线咨询
咨询热线:
400-065-0518
客服qq:
123456789









