- 商品介绍
- 规格参数
外壳
具有 防护等级 IP67 的坚固外壳、可防止受到灰尘和液 体的污染。经过验证可用于海水环境。
用于危险环境的型号(通过 ATEX 和 IECEx 认证)
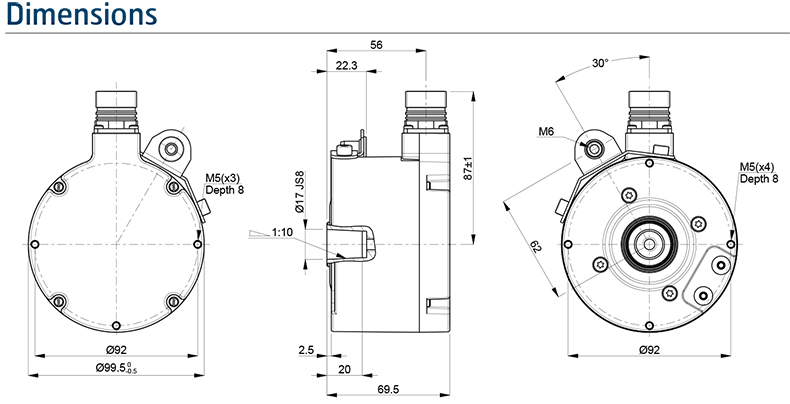
轴与法兰
IP66 的经验证的强固轴封。O 型圈,用于将空心轴紧紧密封到其相配轴上。
用轴向螺钉固定的空心轴。轴尺寸: Ø12 mm、Ø16 mm、 Ø17 mm 锥体。
Ø11 mm 实心轴,带键带键(用于与联轴器和 B10 欧规法兰一起进行固定)。
尺寸为 Ø 25 mm 或 1 寸 的贯穿空心轴。
轴承
绝缘 PEEK 轴衬、用于防止轴承受到轴电流的影响。
陶瓷轴承类型的编码器,用于增强绝缘性能和延长寿命。
重载型轴承可使编码器能够放置在最苛刻的环境中。编码器可在其中承受日常冲击和振动,与此同时不会降低质量或精度。
抗冲击、振动和耐温性
高精度码盘和坚固型电子元件经验证可抵抗强力冲击、振动和极端温度环境。
防止电子干扰
短路保护和极性保护(作为标准)。
过电压保护、用于防止电源过电压冲击(例如、因雷击而导致的这种情况)。
稳定且安装方便
扭矩支架有多种方向的型号可供选择,用于固定扭臂。
独立后盖、用于将电缆线连接到螺钉型端子。
充足的空间、方便于在连接电缆时进行处理操作。
M23 连接器或预装电缆(带或不带连接器)。
输出信号
具有 6 个通道(用于差分传输)的方波信号输出和相对位置的参考脉冲。
可提供大量符合市场标准,例如 HTL、 TTL、 RS422 或1 Vpp 等输出信号接口;同时还有高电流 HTL 接口,用于长电缆传输。
可提供双重输出模块,带有双重扫描传感器和两个电气隔离的电子电路。 该双重输出信号可用于两种不同功能的独立系统,或者用于获得冗余信号。
分辨率
广泛的不同脉冲频率、可提供 1 到 10 000 ppr。
内置状态监控
此类型的编码器可配备先进的诊断系统( ADS Classic 版或 ADS Online 版),它们能够检测基础的编码器功能和周围环境参数。避免所有不可预见的故障!
可编程速度开关
800 系列可与超速开关一同购买。 Overspeed 是 Leine &Linde 速度开关解决方案,它带有 4 个可编程的继电器(设置由您选择)。
相关证书
经认证用于危险区域( ATEX/IECEx 区域 1/21 或 2/22)的类型。
经功能安全认证的编码器有风险水平高达 SIL2 和 PLD 类别三的型号提供 3=三。



| 品牌 | 莱纳林德 |
| 接线方式 | M23 连接器、 12 针 CW |
| 分辨率 | 2048 |
| 系列 | FSI 800 系列 |
| 类别 | 编码器 |
| 输出形式 | - |












